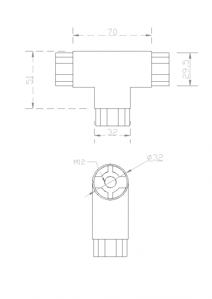
"T"- образное соединение трубы

Артикул: 
VT-T70
Единица поставки: 
шт.
Материал: 
нержавеющая сталь маркировки AISI 304